首页
服务案例
新闻资讯
关于我们
联系我们
首页
服务案例
新闻资讯
关于我们
联系我们
上面这一句是把下面的关于我们的团队内容隐藏掉的,向现实直接删除这一行即可。
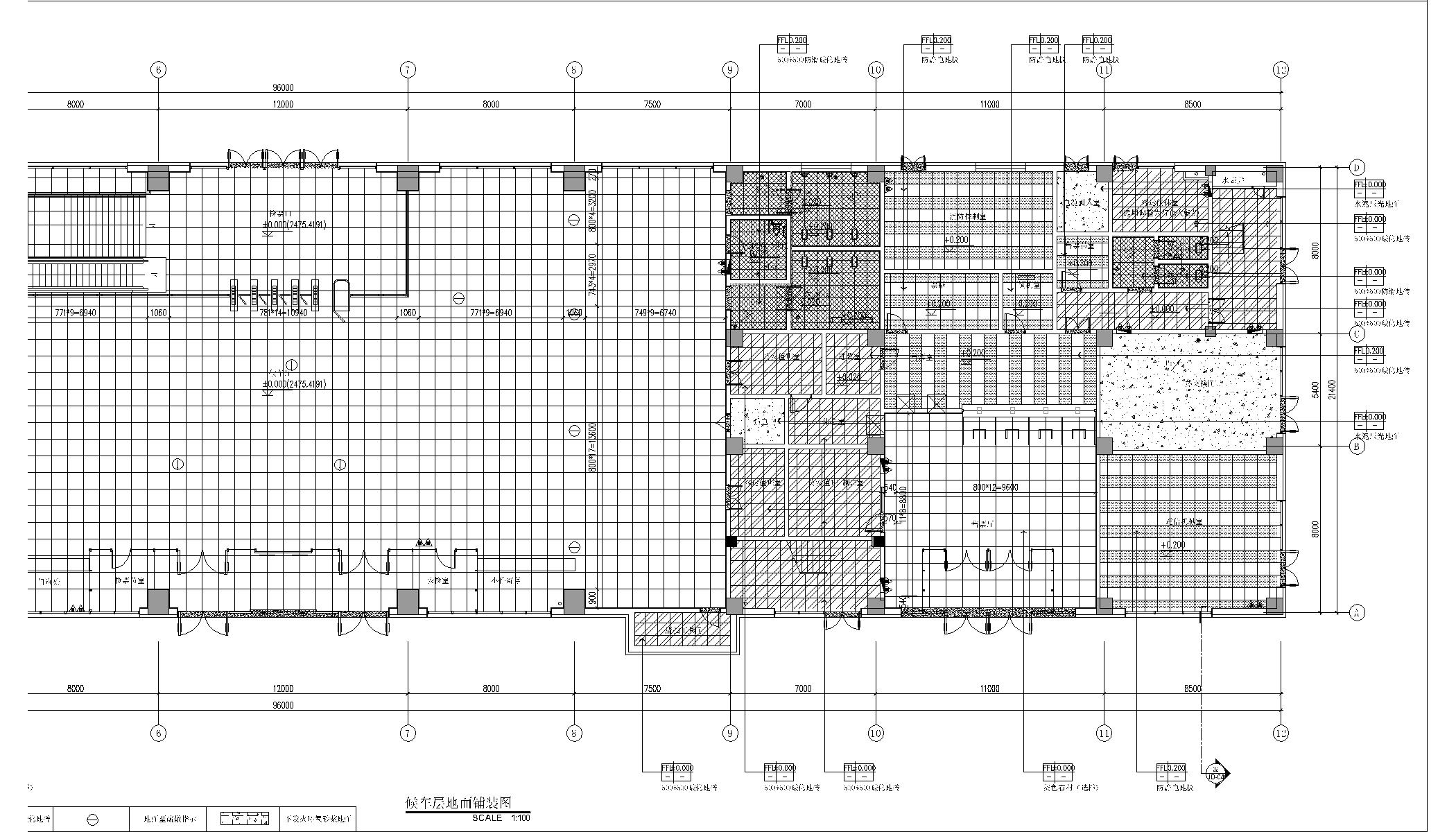
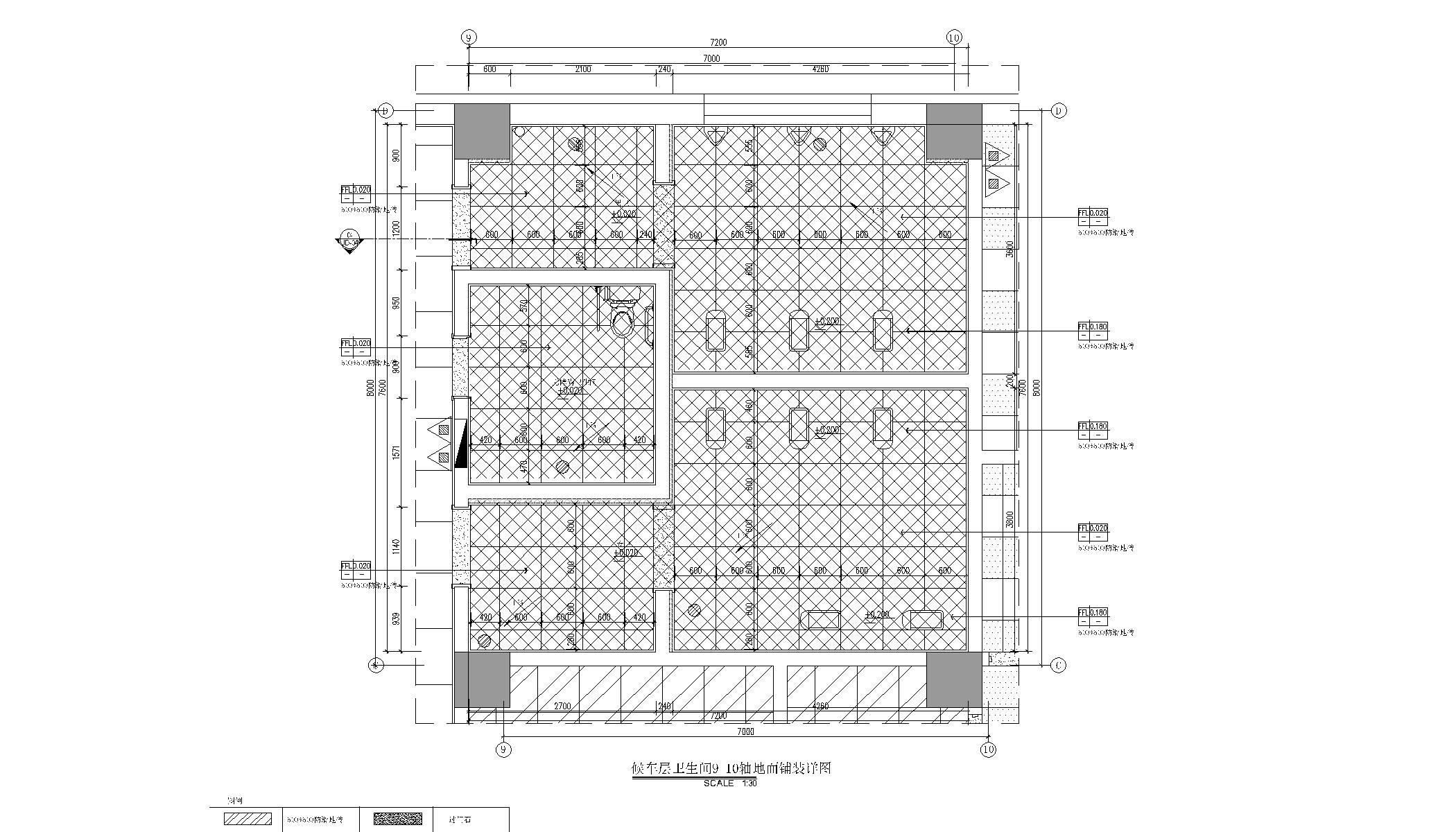
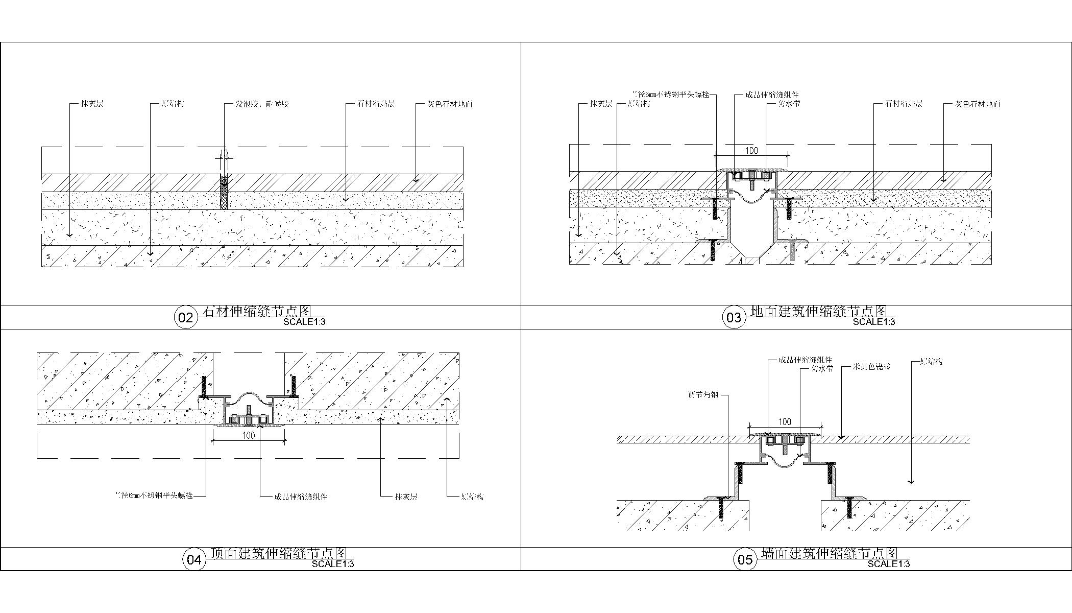
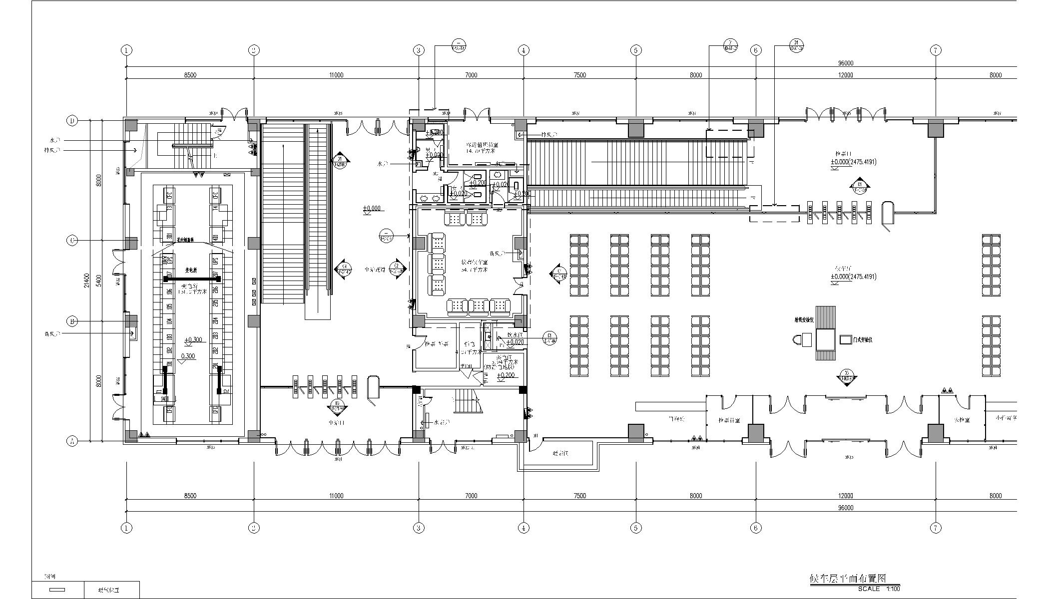
交通高铁站房设计
全部
全案设计
专业施工图
消防与机电设计
交通高铁站房设计
每一程出发与到达,都有我们设计的故事在流淌
推荐案例
度假酒店
集团财务管理与控制系统
集团财务管理与控制系统
集团财务管理与控制系统
集团财务管理与控制系统